Петър Горанов
Технически университет – София (България)
Десислава Георгиева
Технически университет – София (България)
https://doi.org/10.53656/voc25-5-6-03
Резюме. TolAnalyst е разширение на SolidWorks за пресмятане на размерни вериги и оценка на геометричната точност на сглобена единица. В настоящата работа се прави опит да се очертае неговата функционалност от гледна точка обхвата на решаваните задачи и точността на резултатите. Това се извършва посредством разглеждане на множество примерни задачи, които демонстрират възможностите на TolAnalyst.
Ключови думи: геометрична точност, размерен анализ, SolidWorks, TolAnalyst, DimExpert
- Увод
Съвременните технологични процеси за производство на механично изделие са източник на вариации на геометричните параметри. Разбирането на тези вариации, тяхното количествено определяне и влиянието им върху функционирането на изделието е съществена част от процеса на конструиране. Допуските са инженерни спецификации на приемливото ниво на вариациите в геометричен аспект (Fischer, 2011). Всички геометрични елементи на детайлите трябва да са подходящо оразмерени, което означава, че не трябва да се разчита на индивидуалната преценка на работника или на контрольора. Само така може да се осигури предвидената функционалност на сглобената единица (Henzold 2006).
Програмният продукт SolidWorks предлага два инструмента за анализ на геометричната точност на сглобена единица, които се прилагат в следната последователност:
– DimExpert – служи за поставяне на граничните размери и геометричните допуски в моделите на детайлите;
– TolAnalyst – изчислява сумарния ефект от неточностите на размерите и геометрията върху посочен функционален размер в сглобената единица.
Целта на доклада е да се направи анализ на функционалността на посочените по-горе инструменти в следните направления:
– обхват на решаваните задачи;
– точност на резултатите.
Therrien (2007) разглежда функционалността на TolAnalyst на концептуално ниво. Тук вниманието се насочва към неговото практическото приложение, като се разглеждат характерни примерни задачи и се прави анализ на предложеното решение.
- Предварителна подготовка
2.1. Задаване на точността на размерите и формата
Точността на размерите и формата се задава посредством приложението DimExpert. Поддържа се ISO 16792:2006 (ISO 2006) и включва:
– поставяне на размери на геометрични елементи и размери на разположение с гранични отклонения;
– означаване на повърхнините, служещи за бази;
– поставяне на теоретично точни размери;
– поставяне на геометрични допуски;
– задаване формата на допусковата зона;
– изискване при LMS/MMS.
DimExpert предлага средства за създаване на групи и колекции от геометрични елементи, което позволява да се дефинира обединен геометричен елемент или комбинирана допускова зона.
При поставяне на геометрични допуски DimExpert проверява дали избраната комбинация от вид на допуска, посочения геометричен елемент и базата е валидна. Анализира поставените точностни характеристики и издава съобщения в случаите, когато детайлът е преоразмерен или има геометрични елементи без допуски.

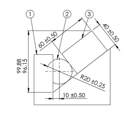
Фигура 1. Примерен детайл
Таблица 1. Грешка при изчисленията на примера от фиг. 1
| Tol Analyst | Точно | Грешка | ||
| с допуск на ъгъла | min | 158,392 | 159,453 | -66% |
| max | 162,123 | 161,062 | 66% | |
| без допуск на ъгъла | min | 159,675 | 159,691 | -1,4% |
| max | 160,841 | 160,825 | 1,4% | |
2.2. Размерен анализ
TolAnalyst е инструмент за размерен анализ. Процедурата включва следните стъпки (SolidWorks, 2023):
– посочва се размер в сглобената единица, който представлява интерес;
– дефинира се последователност на сглобяване – подредена последователност от детайли, които определят размерната верига;
– посочват се схемите на базиране на детайлите по отношение на дефинираната последователност;
– анализират се резултатите.
Важно е да се отбележи, че TolAnalyst работи само с геометрични елементи, създадени от DimExpert. Това се отнася както за дефиниране на търсения размер в сглобената единица, така и по отношение на последователността на сглобяване и разкриването на размерната верига.
- Примери
Анализът на функционалността на TolAnalyst се извършва посредством разглеждане на характерни примери.
3.1. Размерен анализ на детайли
3.1.1. Изчисления с допуски на размерите
TolAnalyst работи само в среда на сглобена единица, но няма изискване търсеният размер да е между два детайла. Това позволява да се пресмятат размери в самостоятелен детайл, част от сглобена единица.
На фиг. 1 е разгледан примерен детайл (MITCalc, 2024). Понеже в (MITCalc, 2024) задачата е решена с прилагане на метода „Монте Карло“, тук граничните стойности, приети като точно решение, са пресметнати чрез вариация на параметрите. Получените резултати са поместени в табл.1.

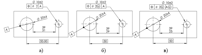
Фигура 2. Размерен анализ на детайл с геометрични допуски
а) допуск на разположение; б) изискване при MMS; в) изискване при MMS към базата
В таблицата са посочени резултати от изчисленията със и без отчитане на допуска на ъгловия размер. Във втория случай резултати от TolAnalyst практически не се различават от точните, което предполага, че по-големите грешки се дължат на по-лошата поддръжка на допуските на ъгловите размери.
3.1.2. Изчисления с геометрични допуски
За да се направи анализ как TolAnalyst отчита геометричните допуски, се разглежда примерът от (Abbott, 2015). Получените резултати са показани на фиг.2:
– фиг. 2а – към допуските на размерите трябва да се отчете допускът на местоположение на отвора с диаметър 10 mm;
– фиг. 2б – към точностните изисквания от фиг. 2а трябва да се добави бонусът, резултат от изискването при MMS за допуска на местоположение на отвора с диаметър 10 mm;
– фиг. 2в – към точностните изисквания от фиг. 2б трябва да се добави бонусът, резултат от дефинирането на базата A при MMS.
Резултатите, получени от TolAnalyst, са записани в съответните изображения на фиг. 2. Тези стойности са равни на точните, което позволява да се направи заключението, че TolAnalyst отчита правилно геометричните допуски и изискванията при LMS/MMS.
3.2. Размерен анализ на сглобена единица
3.2.1. Изчисления с допуски на размерите
Примерната сглобена единица е показана на фиг. 3. При изчисленията се отчитат поставените гранични отклонения на размерите. Резултатите за записани в табл. 2. Като се вземе предвид, че става дума за нелинейна размерна верига, точността на изчисленията може да се приеме за приемлива.
3.2. Изчисления с геометрични допуски

Фигура 3. Примерна сглобена единица
Таблица 2. Грешка при изчисленията на примера от фиг. 3
| TolAnalyst | Точно | Грешка | |
| min | 96,154 | 96,654 | -18% |
| max | 99,881 | 99,381 | 18% |

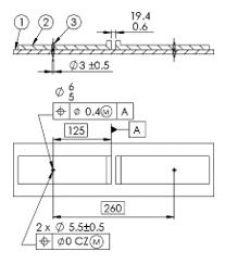
Фигура 4. Примерна сглобена единица
Таблица 3. Резултати от изчисленията на примера от фиг. 4
| Без хлабини | С хлабини | |
| min | 7,6 | 0,6 |
| max | 12,4 | 19,4 |
За илюстрация е използван примерът от (Srinivasmurthy & Herle, 2025) – фиг. 4. Изчисленията се извършват в два случая:
– без отчитане на хлабините – приема се, че отворите в двата детайла (дет. 1 и дет. 2) са съосни;
– с отчитане на хлабините между щифта (дет. 3) и отворите в другите детайли.
Резултатите са поместени в табл. 3. Пресметнатите стойности са точни. Трябва да се обърне внимание, че при означаване на допуска на двата отвора (дет. 1) не е посочена база, а е записана комбинирана допускова зона.
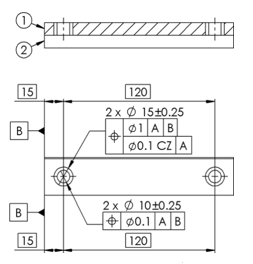
3.3. Композитен допуск на местоположение
На фиг. 5 горната рамка от допуска на разположение (дет. 1) определя взаимното разположение на двата детайла (дет. 1 и дет. 2), а втората рамка – взаимното разположение на двата отвора (в дет. 1). По този начин може да се зададе по-голям допуск на разположението на отворите, разглеждани като група отвори, ако не е необходима висока точност. От друга страна, по-малкият допуск на разположение на отворите един спрямо друг гарантира сглобяемостта на конструкцията. Когато се разглежда възможната грешка от взаимното разположение на детайлите, на практика е необходимо да се вземе предвид само горната рамка.
За да бъдат изчисленията правилни, е необходимо в TolAnalyst да се посочи, че допускът е композитен. Понятието „композитен допуск“ е дефинирано в ASME (ASME, 2018) и няма еквивалент в ISO стандарта. Композитният допуск означава, че допускът във втората рамка се отнася само до взаимното местоположение на геометричните елементи в групата. Съгласно ISO стандарта всяко от записаните изисквания се разглежда независимо.

Фигура 5. Композитен допуск (базата A е долната повърхнина на детайла)
Таблица 4. Резултати от изчисленията на примера от фиг. 5
(страничното изместване на двата детайла)
| Без хлабини | С хлабини | |
| min | -0,55 | -3,3 |
| max | +0,55 | +3,3 |
- Изводи и обобщения
Разгледаните примери показват, че TolAnalyst може успешно да решава задачи с различна сложност, като отчита допуските на размерите, геометричните допуски и хлабините. При по-прости задачи и едномерни размерни вериги решението е точно. При по-сложни и двумерни размерни вериги се забелязва известна грешка. От таблиците 1 и 2 се вижда, че изчисленият допуск е по-голям от действителния. Това, от една страна, означава, че ако анализът се извършва въз основа на резултатите, получени от TolAnalyst, се постига по-висока геометрична точност, а от друга – може да се очакват по-високи разходи за производство.
Трябва да се посочи, че точността и изобщо състоятелността на решението зависи до голяма степен от начина на задаване на задачата. Препоръчително е да се отчитат съображенията, формулирани в (Goranov, Georgieva, 2024), както и винаги да се прави обстоятелствен анализ на предложеното решение.
ЛИТЕРАТУРА
Горанов, П., Георгиева, Д. (2024). Възможни грешки при размерен анализ с TolAnalyst, Автоматизация на дискретното производство, 7, 32 – 36.
Abbott, D. (2015), Tolerance Stacking AEDD-251, Available from: https://www.youtube.com/watch?v=_9HTXZNEePI. [Viewed 2025-9-19].
ASME Y14.5-2018. (2018). Dimensioning and Tolerancing.
ISO 16792:2006. (2006). Technical product documentation – Digital product definition data practices.
Fischer, B. (2011). Mechanical tolerance stackup and analysis, Taylor and Francis Group, ISBN 978-1-4398-1572-4.
Henzold, G. (2006). Geometrical Dimensioning and Tolerancing for Design, Manufacturing and Inspection, Elsevier, ISBN-13: 978-0-7506-6738-8.
MitCalc. (2024). Tolerance analysis of 2-D and 3-D dimensional chains, Available from: https://www.mitcalc.com/doc/tolanalysis3d/help/en/tolanalysis3d.htm. [Viewed 2025-9-19].
SolidWorks. (2023). Web Help. Available from: https://help.solidworks.com/. [Viewed 2025-9-19].
Srinivasmurthy, S., Herle, M. (2025), Tolerance Stack-up Analysis, its benefits and Steps Involved in Mechanical Design – ASM Technologies Ltd, Available from: https://asmltd.com/tolerance-stack-up-analysis-its-benefits-and-steps-involved-in-mechanical-design/. [Viewed 2025-9-19].
Therrien, G. (2007). SolidWorks TolAnalyst, Available from: https://www.scribd.com/document/444994736/tolanalyst-pdf, [Viewed 2025-11-23].
REFERENCES
Abbott, D. (2015). Tolerance Stacking AEDD-251, Available from: https://www.youtube.com/watch?v=_9HTXZNEePI. [Viewed 2025-9-19].
ASME Y14.5-2018. (2018). Dimensioning and Tolerancing.
Goranov, P., Georgieva, D. (2024). Possible mistakes in stack-up analysis with TolAnalyst, Automation of Discrete Production Engineering, 7, 32 – 36, ISSN 2682-9584.
Fischer, B. (2011). Mechanical tolerance stackup and analysis, Taylor and Francis Group, ISBN 978-1-4398-1572-4.
Henzold, G. (2006). Geometrical Dimensioning and Tolerancing for Design, Manufacturing and Inspection, Elsevier, ISBN-13: 978-0-7506-6738-8.
ISO 16792:2006. (2006). Technical product documentation – Digital product definition data practices.
MitCalc. (2024). Tolerance analysis of 2-D and 3-D dimensional chains, Available from: https://www.mitcalc.com/doc/tolanalysis3d/help/en/tolanalysis3d.htm. [Viewed 2025-9-19].
SolidWorks. (2023). Web Help. Available from: https://help.solidworks.com/. [Viewed 2025-9-19].
Srinivasmurthy, S., Herle, M. (2025). Tolerance Stack-up Analysis, its benefits and Steps Involved in Mechanical Design – ASM Technologies Ltd, Available from: https://asmltd.com/tolerance-stack-up-analysis-its-benefits-and-steps-involved-in-mechanical-design/. [Viewed 2025-9-19].
Therrien, G. (2007). SolidWorks TolAnalyst, Available from: https://www.scribd.com/document/444994736/tolanalyst-pdf, [Viewed 2025-11-23].
ANALYSIS OF TOLANALYST FUNCTIONALITY
Abstract. TolAnalyst is a SolidWorks extension for stack-up calculation and analysis of geometric accuracy of an assembly. This work attempts to outline its functionality in terms of the scope of tasks solved and the accuracy of the results. This is done by examining numerous examples that demonstrate the capabilities of TolAnalyst.
Keywords: geometric accuracy; stack-up analysis; SolidWorks; TolAnalyst; DimExpert
Dr. Petar Goranov, Assoc. Prof.
Technical University-Sofia
Bulgaria
E-mail: pvgor@tu-sofia.bg
Dr. Georgieva, Assist. Prof. Desislava
Technical University-Sofia
Bulgaria
E-mail: desy@tu-sofia.bg
>> Изтеглете статията в PDF <<

